




一、 产品概述
我公司是专业制造螺旋板式换热器的企业,有卷制螺旋板式换热器的大型专机,制造工艺先进,经验丰富,确保可靠的差品质量。
螺旋板式换热器广泛应用于石油化工、食品、制药、机械、供热和废弃废液的热回收等领域,典型应用是酒精加工和焦化企业的贫富油加工。
螺旋板式换热器与其他种类换热器相比的特点是,传热流道长、流道间距大、耐热温、不易泄漏。因此它换热效率较高,换热后冷介质的温度容易接近热介质的温度,适于粘稠性物料和含有颗粒性物料的加温或降温处理,但不适于含有纤维性物料换热。螺旋板式换热器也适用于有机化合物蒸汽的冷凝加工。
二、螺旋板式换热器的基本构造和工作原理
螺旋板式换热器是由两张较长的钢板叠放在一起卷制而成的,如图一,每张板上均布地焊有定距柱,它使两张板之间产生一定的间距,形成换热流道,定距柱起到支撑钢板抵抗流体压力的作用,也起到流体在换热流道中流动时增加湍流从而提高换热效率的作用。相邻两流道流过的两种流体温度不同,它们通过螺旋钢板进行传热,达到换热的目的。两流道的间距可以相同,也可不同。流道间距不能太小,也不能太大,太小容易堵塞,太大不利于传热,在制造工艺结构上也难以实现,一般为 8-30mm 较为适宜。

图 一
对于进行换热的两种介质,如果都是液体,在螺旋板式换热器的六道中是按螺旋方向流动的,如图二,并且按逆流的方式流动,所谓逆流是指相邻流道中两种液体流动的方向相反,这样能使两流体在相互传热的流程中始终保持一定的温差,从而可获得较好的效果。
对于换热的两种介质,一种是液体,另一种是汽(气)体,可按错流方式流动,所谓错流,是指液体按螺旋方向流动,汽(气)体按换热器的轴向直接通过,如图三,这主要是考虑到汽(气)体的特点,适于较大的流量,减少阻力,适用于有机蒸汽冷凝。根据具体工况,蒸汽也可按螺旋方向流动,但气体由于热容量较小,一般那要按轴向直接通过。

图 二 图 三
三、螺旋板式换热器的类型
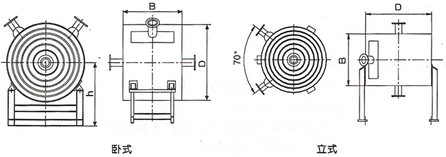
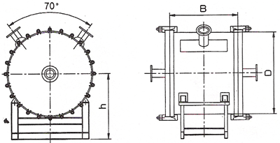
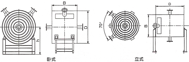
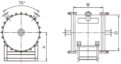
1.不可拆式
卷制后的螺旋板式换热器,其两端焊死,它不可拆卸,形成固定结构,流程内部不可触及。它适用于不易堵塞的流体换热。不可拆式又有卧式和立式的结构。

2.可拆式
卷制后的螺旋板式换热器,每端只将一个流道焊死,而 另一个流道开放,然后在端面上加端盖加以密封。其端盖可以拆卸,从而清理流道内部。它适用于易堵塞的流体换热。

3.特殊形式
有些化工上用的螺旋板式换热器,根据加工工艺的要求,需要诸如的特殊结构,两端带有封头、端盖或两个换热器串到一起,结构不一,需要设计部门专门设计。

构成螺旋板式换热器的主换热材料,主要分为碳钢和不锈钢两大类,碳钢的螺旋板材料为Q235A,不锈钢的螺旋板材料主要有0Cr19Ni9(SUS304)和00Cr17Ni4Mo2(SUS316L)。
四、螺旋板式换热器的选型计算


五、螺旋板式换热器性能极其型号的表示方法
螺旋板式换热器的最高工作温度可达构成换热器材料所能耐用的最高指标,最高可达300摄氏度。设计压力可分为0.6、1.0、1.6MPa,相应地,针对碳钢板而言螺旋换热板的厚度应为4、5、6mm。

六、螺旋板式换热器的参数表








七、螺旋板式换热器的安装、使用与维护
1、安装:螺旋板式换热器应按设计图纸安装联接。基础应是专门设计的强度较高的混凝土基础。周围应留有足够的空间,以便使用和检修,地下应设有地漏排水道。
2、使用:使用中不得超出设计的压力和温度。运行之前应先用清水冲洗换热器流道。在液体介质进口之前应设有过滤器,避免带有纤维性物质进入换热器,以免发生换热流道堵塞。
3、维护:在日常使用中要定时检查,停用后要及时清理流道内的残存物质。如换热流道内发生结垢或堵塞,可用蒸汽吹扫来清理,也可根据结垢的成分用化学碱溶液或酸溶液进行清洗。