











一、换热机组概述
我公司换热机组是集成了换热器,循环泵,补水泵,温度计,压力表,各种传感器,管路和阀门及工控于一体的成套区域供热设备,并加装了补水系统,定压系统,水处理系统,变频流量控制系统,热量计及网络控制通讯系统。是把大量用户现场的水泵,阀门,仪表的选择以及管道法兰焊接的工作以及电气控制的现场安装调试工作,用我公司来完成,我公司生产的各规格机组,容量从 0.2MW 到 15MW ,采用标准模块代设计,自由组合,以满足用户不同工况的要求,为用户提供更合理更适用的机组,在满足用户使用的要求前提下,尽可能为用户节省设备的投资。
二、机组型号说明

三、产品应用领域
城镇集中供暖的住宅采暖供热系统,宾馆、写字楼、办公楼的采暖供热系统,工厂厂房的采暖供热系统,别墅区、住宅区的采暖供热系统。。。。
四、机组特点
1.空间利用率高:人文化的设计,即便于维修又节省占地面积。
2.用户安装更方便:用户只需做好一次网二次网供回和补水共五个法兰接口,再把主电源接入机组电控柜。机组即可正常运行。
3.模块化设计更能适应用户的特殊工况:一次网和二次网质调节和量调节的结合,以及工控分段式设计满足用户要求。
4.各种高性能配件的有机结合:机组精心选配的机组配件,使机组具有优越感的产品性能价格比,做到免维护,达到较长的使用寿命。
五、控制模式
控制模式可分为五种,以满足不同用户的要求。
1.手动控制
手动控制换热机组,通过现场直读仪表手动控制换热机组二次网供水温度。通过远传压力表、控制器自动定压补水。

2.自动式温控阀控制
自力式温控阀控制换热机组,具有手动控制化热机组功能外,通过现场自力式温控阀控制换热机组二次网供水温度。通过远传压力表、控制器自动定压补水。

3.单回路温度控制
单回路温度控制自动化热机组,具有手控制机组功能外,一次网配有电动调节阀,进行一次网的流量调节器来控制二次网的温度,具有室外温度补偿功能,循环泵设置为手动启停且与电动调节阀有电器联锁功能,不水泵控制可由压力开关信号来实现自动补水。

4.全自动无人值守现场控制
全自动无人值守现场控制换热机组,具有手动控制换热机组功能外,一次网配有电动调节阀,控制二次网的供水温度,具有室外温度补偿功能,循环泵采用变频控制,利用二次网供回水压差作为反馈信号,二次网进行变量控制,不水泵采用变频补水,根据二次网回水压差作为反馈信号。所有水泵,电动调节阀,二次网供水温度等均由控制器来完成全自动控制,并且控制器能够控制程序来自动完成机组的启停及复电后重新启动,一个水箱水位传感器接入控制器自动控制水箱水位。而且具有缺水保护不水泵功能;二次网回水管线加装卸压装置,正常情况下,该机组处于无人值守自动运行状态,只需工作人员定期进行巡查。

5.全自动无人值守远程通讯控制
全自动无人值守远程通讯控制换热机组,具有手动控制换热机组功能外,控制器具有远程通讯功能,能够把一、二次网供回水的温度、压力、流量及水泵状态、电动调节阀状态、水箱水位信号、变频器的状态等有关数据传送给控制中心,并能够接受来自控制中心的控制指令进行远程控制。通讯方式可以是有线也可以是无线方式。吧、开放的通讯协议。这样用户的供热管网联网运行从根本上结局了一次网水利失衡的问题。只需工作人员定期进行巡查。

六、机组外形尺寸


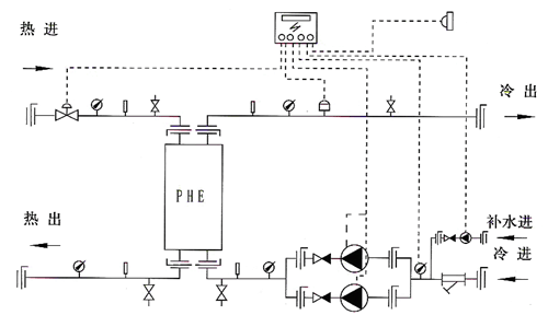
1.Y型过滤器 2.电动调节阀 3.压力表 4.温度表 5.蝶阀 6.除污器 7.循环泵
8.底座 9.板式换热器 10.补水泵(如蒸汽供暖的机组,根据用户要求可加装蔬水器等)
七、机组参数表(此表中的重量和尺寸仅供参考)
采暖工况:供暖半径按1.5公里,循环泵扬程按20-30米,补水泵扬程按45米。
水/水机组 一次网130/80 ℃ 二次网95/70 ℃

八、机组的安装与调试
1.机组设备间设计时应留有足够的检修空间,各方向不少于两米。
2.在进行机组的安装前,先关断所有阀门。机组再出厂前均进行了水压试验和机组冷运行测试,用户只需要做好一次网二次网供回水和补水共五个法兰接口,再把主电源接入机组电控柜。机组即可正常运行。对于全自动机组,用户还需安装一个世外温度传感器。
3.系统安装完毕,启动不水泵充水后,排净空气。打开二次网阀门并启动循环泵,运行 5 分钟系统稳定后,缓慢打开一次网阀门。
4.手动机组调一次网供水阀门,调整二次网供水温度至要求值。自动机组可调温运行。
不锈钢管路换热机组

汽水换热机组

